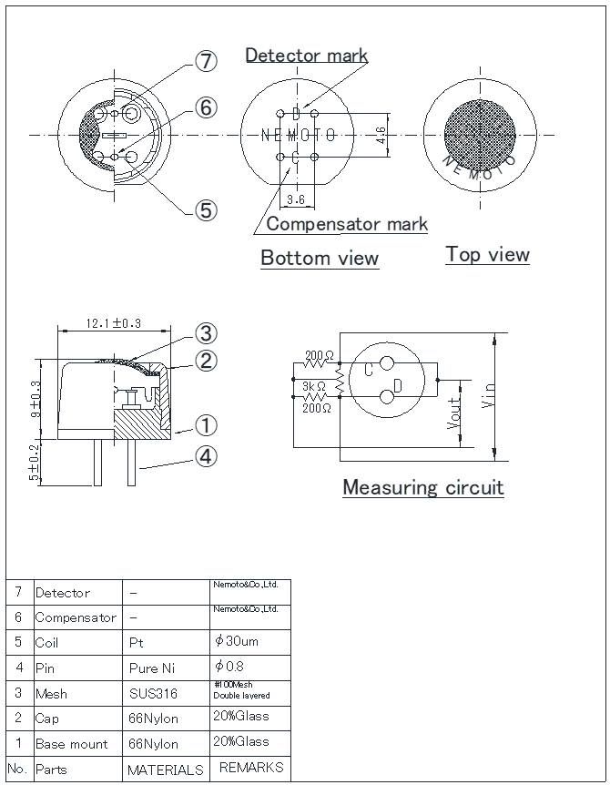
接触燃焼式ガスセンサ
NAP-55A
- 民生用
- 接触燃焼式
- 可燃性ガス(都市ガス用)
- ULレコグニションマーク取得製品

NAP-55Aは可燃性ガス用のガスセンサーです。100%LEL未満の可燃性ガス濃度に対して優れた出力の直線性が得られます。50%LEL未満になるとより優れた直線性が得られます。更にNAP-55Aは従来のセンサーに比べて高さが約半分、消費電流も半分以下に抑えられていますので設計する警報器の薄型、軽量化に最適です。
【特徴】
- センサーの安定性が良い
- 検知精度が優れており、再現性が高い
- ガス濃度に対する直線性が良い
- 応答性が良い
- 小型であるため、ガス警報器や検知器の設計自由度が高い
- 消費電力が低い
- 【使用例】
- 可燃性ガス検知用ガス警報器や検知器
- ガス濃度計
- ガス漏れ検知器用モジュール