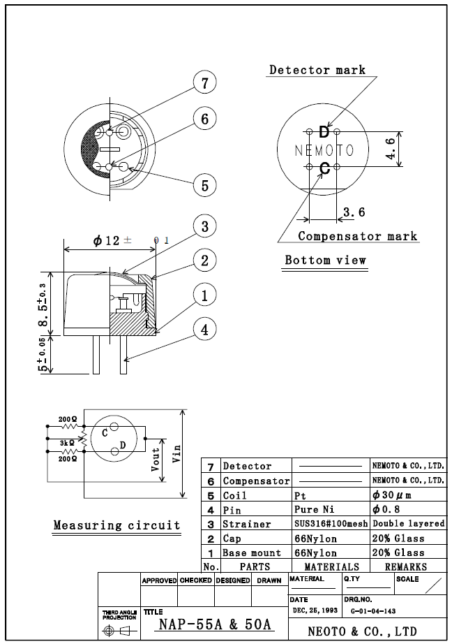
接触燃焼式ガスセンサ
NAP-50A
- 接触燃焼式
- 可燃性ガス(都市ガス用)
- 産業用
- ULレコグニションマーク取得製品

NAP-50Aは従来の当社接触燃焼式ガスセンサーよりも小型化、かつ消費電力化されており、消費電力は従来の接触燃焼式ガスセンサと比べ約50%です。また、同型のNAP-55Aよりアルコール感度が小さいことから、家庭用のみならず業務用のガス警報器にも使用されています。ガスに対する応答性にも優れています。
【特徴】
- 良好な安定性を持つ
- 優れた再現性と精度を持つ
- アルコール以外の可燃性ガス濃度に対し、出力信号は優れた直線性を示す
- 応答速度が極めて速い
- 超小型、省電力化が計られたため警報機等のデザインの自由度が高い
- アルコール感度が低い