LANGUAGE
センサを探す
PRODUCTSEARCH
用途から探す
検知方式から探す
ガス種から探す
一酸化炭素CO
硫化水素H2S
アンモニアNH3
二酸化窒素NO2
酸素O2
オゾンO3
一酸化窒素NO
塩素CL2
ホルムアルデヒドHCHO
二酸化炭素CO2
アセチレンC2H2
水素H2
アルコールC2H6O
可燃性ガス(全般)
可燃性ガス(都市ガス用)
可燃性ガス(LPガス用)
センサを知る
PRINCIPLE
GAS SENSOR SEARCH
NSU-131AFはNSU-131Aに活性炭フィルタを追加した、耐久性に優れた民生用センサモジュールです。水素、メタンガスに感度があることから、都市ガス向けにご使用いただけます。主に定置型家庭用燃料電池にご使用いただいております。
【特徴】
関連製品
接触燃焼式ガスセンサNSU-131A
接触燃焼式ガスセンサNSU-131AF2
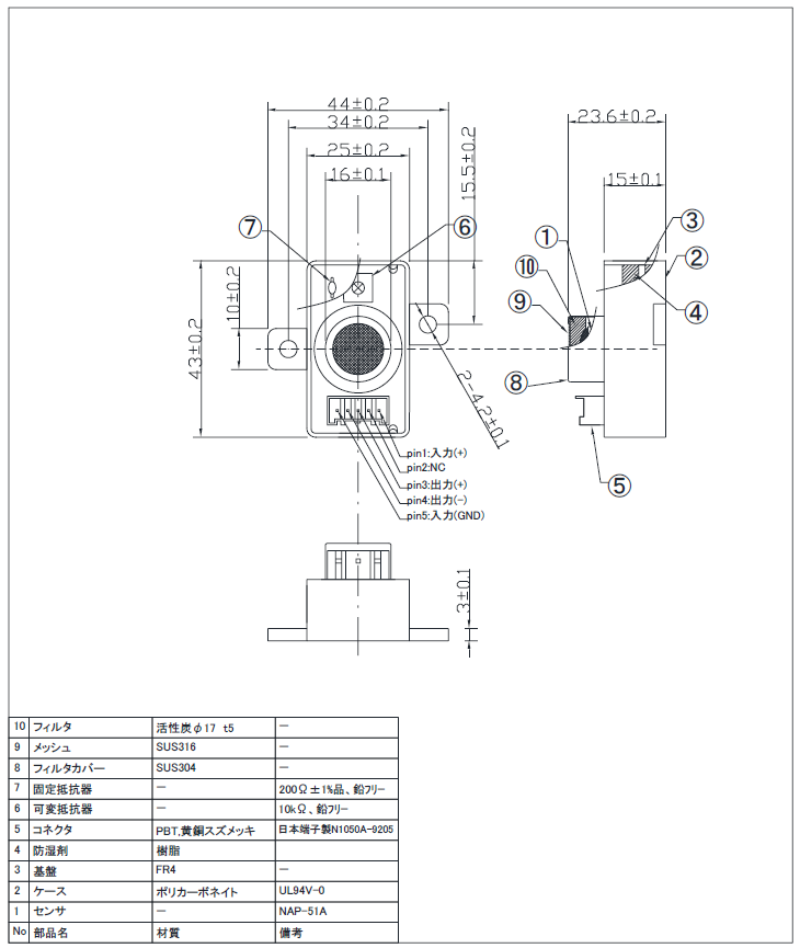
接触燃焼式ガスセンサNAP-51A
接触燃焼式ガスセンサNAP-50A
接触燃焼式ガスセンサNAP-50AF