LANGUAGE
センサを探す
PRODUCTSEARCH
用途から探す
検知方式から探す
ガス種から探す
一酸化炭素CO
硫化水素H2S
アンモニアNH3
二酸化窒素NO2
酸素O2
オゾンO3
一酸化窒素NO
塩素CL2
ホルムアルデヒドHCHO
二酸化炭素CO2
アセチレンC2H2
水素H2
アルコールC2H6O
可燃性ガス(全般)
可燃性ガス(都市ガス用)
可燃性ガス(LPガス用)
センサを知る
PRINCIPLE
GAS SENSOR SEARCH
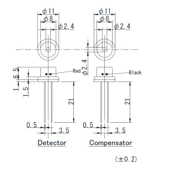
NCP-300は可燃ガス全般に感度を持ったマッチドペアタイプの工業用センサです。弊社工業用接触燃焼式センサのスタンダードタイプで、LEL近くまでの直線性に優れ、高い耐久性と汎用性が特徴です。
【特徴】
関連製品
接触燃焼式ガスセンサNCP-170
接触燃焼式ガスセンサNCP-170S
接触燃焼式ガスセンサNCP-170S-H
接触燃焼式ガスセンサNCP-300S
接触燃焼式ガスセンサNCP-180