LANGUAGE
センサを探す
PRODUCTSEARCH
用途から探す
検知方式から探す
ガス種から探す
一酸化炭素CO
硫化水素H2S
アンモニアNH3
二酸化窒素NO2
酸素O2
オゾンO3
一酸化窒素NO
塩素CL2
ホルムアルデヒドHCHO
二酸化炭素CO2
アセチレンC2H2
水素H2
アルコールC2H6O
可燃性ガス(全般)
可燃性ガス(都市ガス用)
可燃性ガス(LPガス用)
センサを知る
PRINCIPLE
GAS SENSOR SEARCH
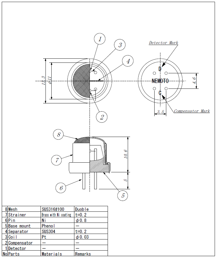
NAP-67Aは家庭用LPガス漏洩検知に適した民生用センサです。NAP-66Aに比べ、ガス感度が1.2~1.5倍程度高く、設計しやすい使用です。
【特徴】
関連製品
接触燃焼式ガスセンサNAP-66A
接触燃焼式ガスセンサNSU-131A