LANGUAGE
センサを探す
PRODUCTSEARCH
用途から探す
検知方式から探す
ガス種から探す
一酸化炭素CO
硫化水素H2S
アンモニアNH3
二酸化窒素NO2
酸素O2
オゾンO3
一酸化窒素NO
塩素CL2
ホルムアルデヒドHCHO
二酸化炭素CO2
アセチレンC2H2
水素H2
アルコールC2H6O
可燃性ガス(全般)
可燃性ガス(都市ガス用)
可燃性ガス(LPガス用)
センサを知る
PRINCIPLE
GAS SENSOR SEARCH
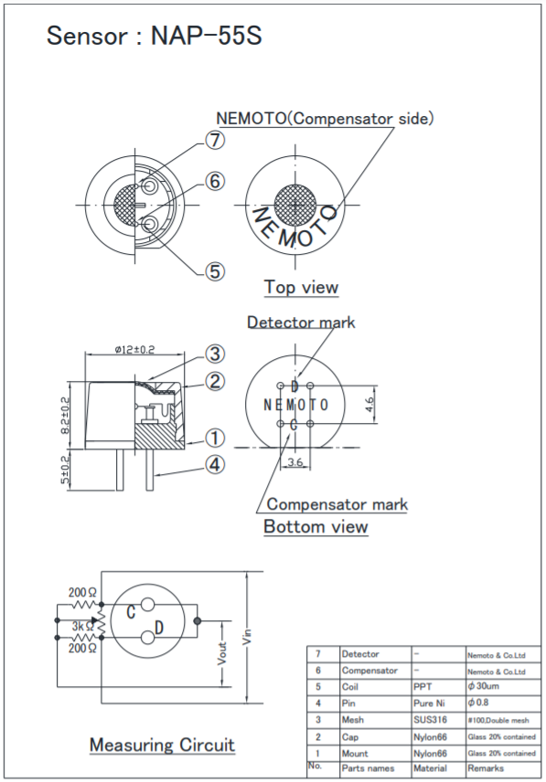
NAP-55Sは可燃ガス全般に感度を持ったシングルヘッドタイプの工業用ガスセンサです。中国GB規格に適合しており、主に中国市場で使用されています。シリコーン耐久性に優れています。
【特徴】
関連製品
接触燃焼式ガスセンサNAP-57S
接触燃焼式ガスセンサNAP-52A